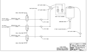
CRYSTAL CAP CLEANERS  are activated by air and the fluid (Water or Solvent)

 

The unit is controlled by the program from the robot PLC through control valves.

 
The cycle time varies from 5 to 12 seconds depending on the nature of the

cleaning and can be incorporated into the color change cycle.

 

 

Example of a Bell cleaner installation …….